




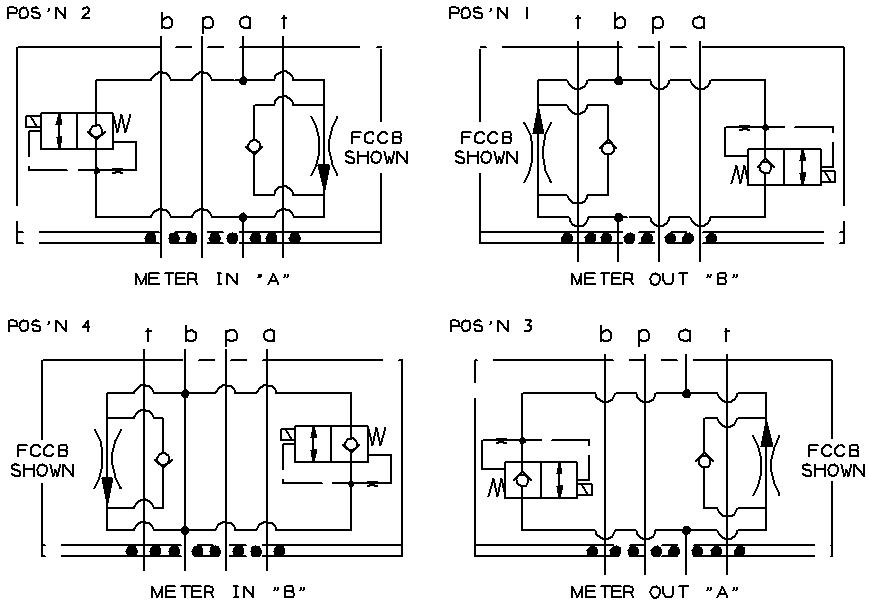
Sandwich with fixed pressure compensated flow control valve, turnable.

Sandwich with pressure compensated flow control valve, turnable.



Sandwich with fixed pressure compensated flow control valve, turnable.

Sandwich with pressure compensated flow control valve, turnable.



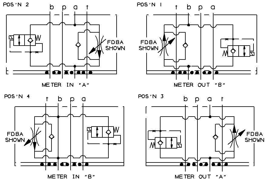
Sandwich with fixed pressure compensated flow control valve.

Sandwich with pressure compensated flow control valve.

Sandwich with fixed pressure compensated flow control valve.

Sandwich with pressure compensated flow control valve.


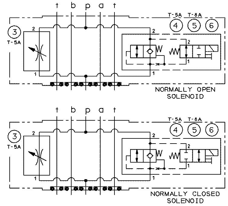
Sandwich with pressure compensated flow control valve, turnable.

Sandwich with pressure compensated flow control valve, turnable.

Sandwich with pressure compensated flow control valve.

Sandwich with pressure compensated flow control valve.



Hydnet
EA Rosengrens gata 29
421 32 Västra Frölunda
+46 31 - 499 490
info@hydnet.se