
2 ports, fixed orifice, pressure compensated
A pressure compensated valve is a hydraulic valve that automatically maintains a consistent flow of hydraulic oil, regardless of pressure variations in the system. It is also known as a constant flow valve, as it maintains a constant pressure drop across the valve, independent of load or back pressure. This ensures a steady speed of the actuator, which is critical in applications requiring stable flow. Unlike needle valves or needle and check valves, the flow is not affected by changing loads, which would otherwise result in reduced speed under higher load conditions.

2 ports, fixed orifice, pressure compensated

2 ports, fixed orifice, pressure compensated, with reverse flow check

2 ports, fully adjustable, pressure compensated, with reverse flow check

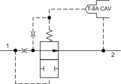
2 ports, fixed orifice, pressure compensated, with integral pilot control cavity
Pressure compensated valves (constant flow valves) deliver a steady flow regardless of the load on the actuator. They operate by automatically adjusting the orifice using a spring-loaded spool or similar mechanism that compensates for pressure variations in the system. When pressure increases, the valve opening decreases; when pressure drops, it opens up—all to maintain a constant flow. Unlike needle valves or needle and check valves, where flow decreases under higher load, pressure compensated valves are unaffected by pressure changes, ensuring a stable actuator speed.
Pressure compensated valves are available both as factory-set versions with a fixed flow rate and as fully adjustable models, where the flow can be tailored to specific needs—up to 200 l/min.
Pressure compensated valves are frequently used in applications where a steady and stable flow is essential—for example, in hydraulic motors to maintain constant speed, in lifting systems to ensure uniform lifting speed or in control systems where high precision is required.



Hydnet
EA Rosengrens gata 29
421 32 Västra Frölunda
+46 31 - 499 490
info@hydnet.se