
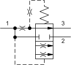
3 ports, fixed orifice, bypass/restricted
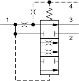
A priority control valve is used to ensure that a main function always receives a constant and unlimited flow, regardless of whether other functions in the hydraulic system are simultaneously drawing flow. The valve prioritizes flow to the most important function by regulating and limiting the flow to other consumers when necessary. This is especially important in hydraulic systems where certain functions must operate without interruptions, such as steering or braking, even when multiple parts of the system are in use at the same time.

3 ports, fixed orifice, bypass/restricted

4 ports, fixed orifice, bypass/restricted, ventable

4 ports, fixed orifice, bypass/restricted, with integral pilot control cavity
The priority control valve delivers a fixed, preset flow to the main function to ensure its stable operation. The excess flow—that is, the flow remaining after the main function has received its portion—can then be used for other functions, such as powering additional cylinders or be shunted back to the tank. This allows the system to prioritize critical functions while enabling other functions to utilize the remaining flow without affecting the main function.
Sun Hydraulics offers several ready-made circuit solutions for flow prioritization, for example, for auxiliary functions like rock crushers and hydraulic hammers on excavators, wheel loaders and other construction machinery. These simple and effective circuits ensure that the main function always receives full power, even when additional cylinders or motors are operating, preventing power loss and guaranteeing optimal performance.
The priority control valve works by first delivering a fixed, preset flow to the main function, ensuring it always receives the amount of fluid needed for stable operation. Inside the valve, a pressure-compensated spool or plunger continuously monitors the pressure in the main function’s line. When the pressure increases—such as when the main function requires more power or experiences a higher load—the valve responds by adjusting its opening to maintain the preset flow. In this way, the valve automatically compensates for pressure variations and ensures the flow to the main function remains constant. Once the main function has received its prioritized flow, the excess flow is directed to secondary functions, such as additional cylinders, or shunted back to the tank. This allows the system to use the available flow efficiently without compromising the performance of the main function. Thanks to this pressure compensation, the flow to the main function is not affected by changes in load or pressure elsewhere in the system.



Hydnet
EA Rosengrens gata 29
421 32 Västra Frölunda
+46 31 - 499 490
info@hydnet.se