
3 ports, accumulator sense, pump unload, pilot valve

An accumulator sense functions as a pump unloading device and helps the hydraulic system keep the accumulator charged within a desired pressure range. It operates similarly to a thermostat by regulating pressure and ensuring that the accumulator works between adjustable minimum and maximum limits. The valve controls the flow to and from the accumulator through a pressure-responsive mechanism that opens or closes depending on whether the system pressure is below or above the preset thresholds. This allows the system to maintain stable pressure and optimize the performance of the accumulator.

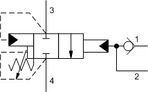
3 ports, accumulator sense, pump unload, pilot valve

4 ports, accumulator sense, pump unload, pilot valve, with check
The accumulator sense detects the pressure in an accumulator at port 1 of the valve. When the pressure at port 1 reaches the valve’s setpoint, port 2 connects to port 3 to vent a relief valve and unload the pump.
To reduce the load on the pump in a hydraulic system, the accumulator sense can be combined with a remotely controlled pressure relief valve. This allows for efficient pressure management and energy savings within the system. Another example is using the accumulator sense together with a priority valve to redirect flow to another function when needed. These combinations contribute to creating energy-efficient and high-performance hydraulic systems, making them particularly suitable for battery-powered applications.
Sun Hydraulics accumulator senses with four ports include a built-in check valve that directs the flow from the pump to the accumulator circuit. This valve is suitable for flows up to 60 l/min. For higher flow rates, a separate check valve is required, which is then combined with a three-port accumulator sense to ensure proper operation.
Hydnet holds Europe’s largest stock of Sun Hydraulics cartridge valves, enabling immediate delivery — and when needed, we can even deliver the same day. When you choose Sun Hydraulics, you can be completely confident in your choice. Each cartridge valve is manufactured to the highest quality standards and undergoes rigorous testing, with every unit individually tested before leaving the factory.



Hydnet
EA Rosengrens gata 29
421 32 Västra Frölunda
+46 31 - 499 490
info@hydnet.se