
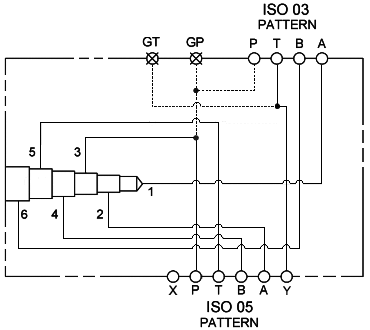
NG10. T-52A.

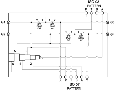
Manifolds for directional control valves in cartridge design are commonly used in high-flow hydraulic systems where both flexibility and performance are essential. By combining Sun Hydraulic’s cartridge valves with a CETOP-configured setup, it’s possible to build pilot-operated directional valves that are controlled via an NG6 directional valve. These manifolds enable efficient flow control and reduce the need for separate valve units. We offer ready-to-use manifolds designed for this purpose, providing a compact, robust, and customizable solution for demanding applications.

NG10. T-52A.

NG10 x&y (US). T-52A.

NG16. T-52A.

NG25. T-52A.

NG25. T-64A.

NG25. T-64A. Double cavities.



Hydnet
EA Rosengrens gata 29
421 32 Västra Frölunda
+46 31 - 499 490
info@hydnet.se