
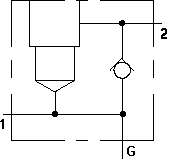
Line mount manifolds for relief valves. 2 ports, 90° body
Sun Hydraulics’ standard range of line mount bodies offers a simple and practical way to add specific functions to a hydraulic system without the need for custom-manufactured components. These bodies are designed for direct installation into hydraulic lines and are available with a wide variety of port configurations to suit different installation needs. A line mount body functions as a compact unit that houses multiple hydraulic functions and valves in a single manifold, connected directly to the piping system. Instead of mounting separate components in various locations, these functions are integrated into one unit, simplifying hose routing, reducing the number of fittings, and minimizing the risk of leakage.

Line mount manifolds for relief valves. 2 ports, 90° body

Line mount manifolds for relief, directional, check, flow control and solenoid valves. Parallel 2-port cavities, inline body.

Line mount manifold for relief valves, reducing valves, sequence valves and sequence valves with bulit-in reverse free flow. 3-ports, 90° body and gauge port.

Line mount manifolds for relief valves. 2 ports, 90° body, 2 inlets and 1 outlet, gaugeport.

Line mount manifolds for relief valves. 2 ports, 90° body, 2 inlets and 2 outlets.

Line mount manifolds for relief valves. 2 ports, SAE body through inlet and 2 outlets, gaugeport.

Line mount manifold for relief valves and sequence valves. Sequence with reverse free flow in 90° body and gauge port.

Line mount manifold for counterbalance valves, pilot operated check valves, relief valves, reducing valves, sequence valves and sequence valves with bulit-in reverse free flow. 3-ports, pipe mounted inline body.

Line mount manifolds for relief valves. 2 ports, inline body

Line mount manifolds for relief, directional, check, flow control and solenoid valves. Parallel 2-port cavities, inline body.

Line mount manifolds for relief valves. 2 ports, reverse flow check.

Line mount manifolds for relief valves. 2 ports, reverse flow check, gaugeport.

Line mount manifolds for relief valves. Cross line body.

Line mount manifolds for relief valves. Cross line body, gaugeports.

Line mount manifolds for relief valves. Double chock with make-up checkvalves and extra T-port.

Line mount manifolds for relief valves, reducing valves, sequence valves and sequence valves with bulit-in reverse free flow. 3 ports, 90° body, gaugeport.

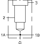
Line mount manifolds for relief valves. 3 ports, 90° body, 2 inlets and 1 outlet, gaugeport.

Line mount manifolds for relief valves. 4 ports, 90° body.

Line mount manifolds for relief valves. 4 ports, 90° body, gaugeport.
Port options
Available port types include NPTF, SAE, BSPP, and Code 61 or Code 62 flanges, making it easy to integrate the body into most hydraulic systems regardless of standard or industry preference.
Sun’s unique cavity system allows a wide range of functions and valve types to be installed in the same cavity. This increases flexibility in system design and allows for faster modifications and simpler replacements without changing the entire body. It also enables customized solutions tailored to specific hydraulic requirements.
Line mount bodies are widely used in mobile and industrial hydraulics where a compact, robust, and service-friendly installation is required. They are ideal in machine construction, construction equipment, and transport applications where vibration resistance and space efficiency are essential. By integrating functions into a single body, assembly is simplified and system performance is optimized.
Sun’s line mount bodies are available in two main materials to suit different pressure ranges and application needs:
• Aluminum: Rated up to 3000 psi (210 bar), ideal for lighter applications where weight and corrosion resistance are priorities
• Steel: Rated up to 5000 psi (350 bar), suitable for more demanding and high-pressure environments
To enhance durability and corrosion protection, several surface treatment options are available:
For aluminum bodies:
• Clear anodize
• Black anodize
For steel bodies:
• Dewatering oil (water-repellent oil)
• Chemical blackening
• Trivalent clear zinc with top sealer
• Clear zinc-nickel with top sealer



Hydnet
EA Rosengrens gata 29
421 32 Västra Frölunda
+46 31 - 499 490
info@hydnet.se