Hydnet - the specialist in intelligent hydraulic systems
Göteborg: +46 31 499 490
|
Stockholm: +46 8 59 470 470
|
E-mail: info@hydnet.se
0
Quotation Request
EN
▾
Close
Products
Cartridge valves
Compact and reliable valves for flexible control of pressure, flow, and direction in hydraulic systems.
Pressure control valves
Flow control valves
Load holding valves
Directional valves
Proportional valves
Solenoid directional valves
Logic elements
Pilot valves
Specialty valves
Corrosion resistant valves
Seal kits to SUN cartridge valves
Cartridge accessories
Manifolds
Modular valve blocks for efficient system integration and space-saving in demanding hydraulic applications.
Line mount bodies
Sandwich manifolds
Banjo mount bodies
Sub plates
Motor mount bodies
Covers, reducing adaptors etc.
Rexroth Pumps & Motors
Modulära ventilblock för effektiv systemintegration och platsbesparing i krävande hydrauliska applikationer.
To Rexroth
ACE Dampers
Precision dampers for controlled motion, reduced vibrations, and increased service life in mechanical movements.
ACE Automation control
ACE Motion control
ACE Vibration control
ACE Safety products
ACE Powerise
Schroeder Filters and Hydraulic tanks
High-quality filters and hydraulic tanks for your hydraulic system.
To Schroeder
Electrohydraulics
Electronics for controlling and monitoring your hydraulics — controllers, I/O devices, sensors, and displays.
To the category
Directional valves for industrial and mobile applications
Various types of directional valves — sandwich-mounted or mobile valve sections.
To the category
Assembly and manufacturing products
Everything you need to manufacture and assemble hydraulic blocks.
To the category
Accessories
Seal kits for valves, O-ring plates for sandwich blocks.
To the category
System solutions
Hydraulic Lock
Closed-loop hydrostatic drive
Accumulator circuits for pump pressure relief
2-speed manifolds - Sandw
Manifolds for 2-pump system
Regenerative hydraulic systems
Flush manifolds for transmission circuits
Hydraulic Emergency Stop
Flow dividing, combining, and synchronization
Electrical unloading hydraulic pressure relief
Pressure regulating solutions
Load-holding, anti-shock, anti-cavitation for hydraulic motor drive
Flow control for rock breaker valves
Operation of multiple cylinders in sequence
Hydraulic Priority systems
Motor mounted hydraulic manifolds
Shuttle valve manifolds for LS systems
3-Way, Direct acting, Electro-proportional, Bypass/Restrictive Priority Flow Control Vavle
Optimize air-oil cooler fan drive control with the XMD electronic controller
High-pressure filters with CETOP mounting for servo and proportional valves
Smooth deceleration and acceleration of hydraulic movements
Knowledge bank
About Hydnet
Sustainability
News
Partners
Contact
Close
Products
Cartridge valves
Compact and reliable valves for flexible control of pressure, flow, and direction in hydraulic systems.
Pressure control valves
Flow control valves
Load holding valves
Directional valves
Proportional valves
Solenoid directional valves
Logic elements
Pilot valves
Specialty valves
Corrosion resistant valves
Seal kits to SUN cartridge valves
Cartridge accessories
Manifolds
Modular valve blocks for efficient system integration and space-saving in demanding hydraulic applications.
Line mount bodies
Sandwich manifolds
Banjo mount bodies
Sub plates
Motor mount bodies
Covers, reducing adaptors etc.
Rexroth Pumps & Motors
Modulära ventilblock för effektiv systemintegration och platsbesparing i krävande hydrauliska applikationer.
To Rexroth
ACE Dampers
Precision dampers for controlled motion, reduced vibrations, and increased service life in mechanical movements.
ACE Automation control
ACE Motion control
ACE Vibration control
ACE Safety products
ACE Powerise
Schroeder Filters and Hydraulic tanks
High-quality filters and hydraulic tanks for your hydraulic system.
To Schroeder
Electrohydraulics
Electronics for controlling and monitoring your hydraulics — controllers, I/O devices, sensors, and displays.
To the category
Directional valves for industrial and mobile applications
Various types of directional valves — sandwich-mounted or mobile valve sections.
To the category
Assembly and manufacturing products
Everything you need to manufacture and assemble hydraulic blocks.
To the category
Accessories
Seal kits for valves, O-ring plates for sandwich blocks.
To the category
System solutions
Hydraulic Lock
Closed-loop hydrostatic drive
Accumulator circuits for pump pressure relief
2-speed manifolds - Sandw
Manifolds for 2-pump system
Regenerative hydraulic systems
Flush manifolds for transmission circuits
Hydraulic Emergency Stop
Flow dividing, combining, and synchronization
Electrical unloading hydraulic pressure relief
Pressure regulating solutions
Load-holding, anti-shock, anti-cavitation for hydraulic motor drive
Flow control for rock breaker valves
Operation of multiple cylinders in sequence
Hydraulic Priority systems
Motor mounted hydraulic manifolds
Shuttle valve manifolds for LS systems
3-Way, Direct acting, Electro-proportional, Bypass/Restrictive Priority Flow Control Vavle
Optimize air-oil cooler fan drive control with the XMD electronic controller
High-pressure filters with CETOP mounting for servo and proportional valves
Smooth deceleration and acceleration of hydraulic movements
Knowledge bank
About Hydnet
Sustainability
News
Partners
Kontakt
Contact
Close
Products
Cartridge valves
Compact and reliable valves for flexible control of pressure, flow, and direction in hydraulic systems.
Pressure control valves
Flow control valves
Load holding valves
Directional valves
Proportional valves
Solenoid directional valves
Logic elements
Pilot valves
Specialty valves
Corrosion resistant valves
Seal kits to SUN cartridge valves
Cartridge accessories
Manifolds
Modular valve blocks for efficient system integration and space-saving in demanding hydraulic applications.
Line mount bodies
Sandwich manifolds
Banjo mount bodies
Sub plates
Motor mount bodies
Covers, reducing adaptors etc.
Rexroth Pumps & Motors
Modulära ventilblock för effektiv systemintegration och platsbesparing i krävande hydrauliska applikationer.
To Rexroth
ACE Dampers
Precision dampers for controlled motion, reduced vibrations, and increased service life in mechanical movements.
ACE Automation control
ACE Motion control
ACE Vibration control
ACE Safety products
ACE Powerise
Schroeder Filters and Hydraulic tanks
High-quality filters and hydraulic tanks for your hydraulic system.
To Schroeder
Electrohydraulics
Electronics for controlling and monitoring your hydraulics — controllers, I/O devices, sensors, and displays.
To the category
Directional valves for industrial and mobile applications
Various types of directional valves — sandwich-mounted or mobile valve sections.
To the category
Assembly and manufacturing products
Everything you need to manufacture and assemble hydraulic blocks.
To the category
Accessories
Seal kits for valves, O-ring plates for sandwich blocks.
To the category
System solutions
Hydraulic Lock
Closed-loop hydrostatic drive
Accumulator circuits for pump pressure relief
2-speed manifolds - Sandw
Manifolds for 2-pump system
Regenerative hydraulic systems
Flush manifolds for transmission circuits
Hydraulic Emergency Stop
Flow dividing, combining, and synchronization
Electrical unloading hydraulic pressure relief
Pressure regulating solutions
Load-holding, anti-shock, anti-cavitation for hydraulic motor drive
Flow control for rock breaker valves
Operation of multiple cylinders in sequence
Hydraulic Priority systems
Motor mounted hydraulic manifolds
Shuttle valve manifolds for LS systems
3-Way, Direct acting, Electro-proportional, Bypass/Restrictive Priority Flow Control Vavle
Optimize air-oil cooler fan drive control with the XMD electronic controller
High-pressure filters with CETOP mounting for servo and proportional valves
Smooth deceleration and acceleration of hydraulic movements
Knowledge bank
About Hydnet
Sustainability
News
Partners
Contact
Kontakt
0
Quotation request
Start
/
Flow control / hammer valve manifold
/
L02900
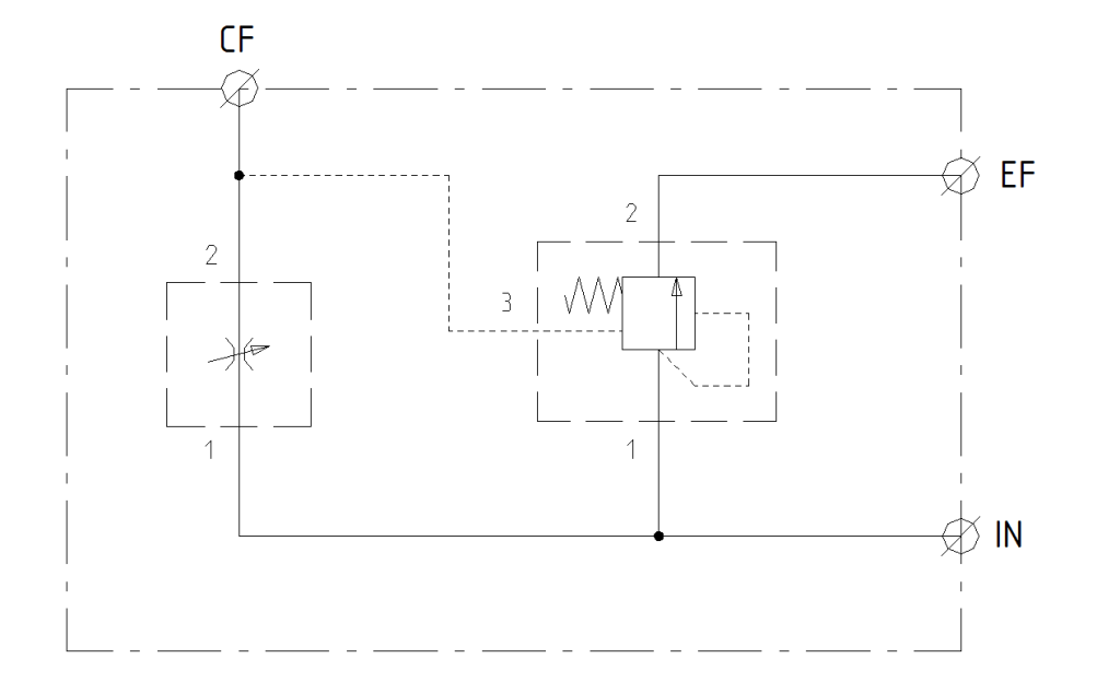
L02900
Port Size:
G1/2"
Max in:
60 lpm
Max Controlled:
40 lpm
Mängd
Add to quotation request
Download
Available variants
See data sheet
Hydnet
EA Rosengrens gata 29
421 32 Västra Frölunda
+46 31 - 499 490
info@hydnet.se
Products
Cartridge valves
Manifolds
Electro hydraulics
Directional valves industry and mobile
ACE Automation control
ACE Motion control
ACE Vibration control
ACE Safety products
ACE Powerise
Schroeder Filters and hydraulic tanks
Rexroth Pumps and motors
Assembly and production of manifolds
Accessories
Pages
Quotation request
System solutions
Knowledge bank
About Hydnet
Sustainability
News
Partners
Contact
Links
Privacy and Cookie Policy
A part of Indutrade
Partners
Sun Hydraulics
Enovation Controls
Bosch Rexroth
Ace Controls
Schroeder Industries