
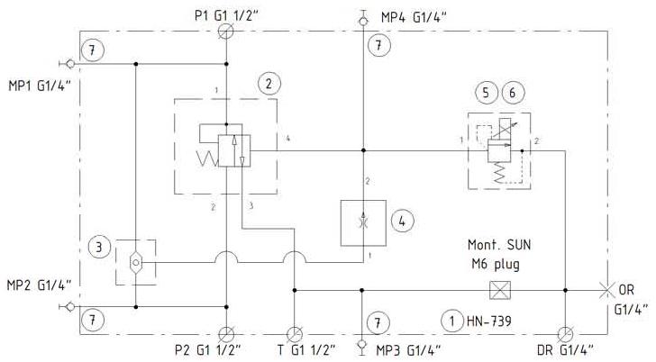
Proportional reducing/relieving, garanterat 0-tryck, hög nogrannhet, NG6 toppmonterad.
I applikationer där man vill reducera trycket till låg trycknivå nära 0 bar har vi bland annat dessa färdiga kretsar.

Proportional reducing/relieving, garanterat 0-tryck, hög nogrannhet, NG6 toppmonterad.

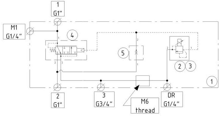
Proportional reducing/relieving, garanterat 0-tryck, hög nogrannhet, rörmonterat.

Proportional reducing/relieving, garanterat 0-tryck, hög nogrannhet, rörmonterat.
Dessa används när en standard tryckreduceringsventil ger för hög lägsta trycknivå, det vill säga 1 till 2 bar. Med dessa lösningar kommer man nära 0 bar.
Vi har block både i NG6 sandwichutförande och rörmonterade. Samtliga block finns i aluminium (3000 psi/ 210 bar) eller stål (5000 psi/ 350 bar) och kan fås med ytbehandling.



Hydnet
EA Rosengrens gata 29
421 32 Västra Frölunda
031 - 499 490
info@hydnet.se