
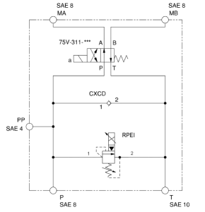
Sun Hydraulics RPEI-ventil är en tryckbegränsningsventil som är elstyrd och går till högsta inställda värde när den är opåverkad. Detta gör att om strömmen försvinner bibehåller man flöde för till exempel fläkt eller annan viktig funktion som inte får ha driftstopp.
Inställningen den återgår till i opåverkat läge ställer man in med ställskruv, sedan styr man enkelt trycknivån med Sun Hydraulics styrenhet XMD. Här kan du läsa mer om XMD och CANpoint och olika applikationer med closed loop-funktion.
Här hittar du den elektrisk proportionella tryckbegränsingsventilen RPEI.
I schemat nedan visas en reversibel fläktstyrningskrets, där man också har funktionen att man kan blåsa ur ett eventuellt igensatt kylelement. Här kan du läsa mer om fläktstyrning.


Hydnet
EA Rosengrens gata 29
421 32 Västra Frölunda
031 - 499 490
info@hydnet.se