
Rörmonterat ventilblock för sekvensventiler. 2 portar i 90°-block med dränerad tilluft.
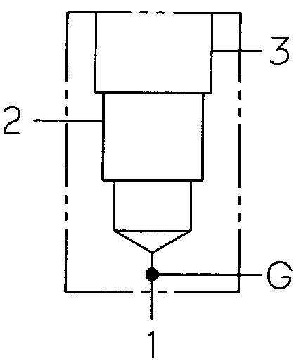
När ventilen har uppnått det önskade trycket går flödet vidare till nästa funktion, denna blir inte påverkad av tryck efter ventilen.
För returflöde behövs en backventil, det finns flera patroner som är kombinerade med funktionerna sekvensventil och backventil, de hittas med att benämningen börjar på SC*.
Väljer man ett block med integrerad backventil behöver man inte en kombinerad sekvens- och backventil.
Här hittar du sekvensventiler.
Väldigt vanligt att exempelvis först ha en kläm- eller fastspänningsfunktion följt av bearbetning av materialet, till exempel kapning, bockning eller borrning.
Det finns färdiga lösningar rörmonterade i storlek upp till G 1 1/4” gänga.
Samtliga block finns i aluminium (3000 psi/ 210 bar) eller stål (5000 psi/ 350 bar) och kan fås med ytbehandling.

Rörmonterat ventilblock för sekvensventiler. 2 portar i 90°-block med dränerad tilluft.

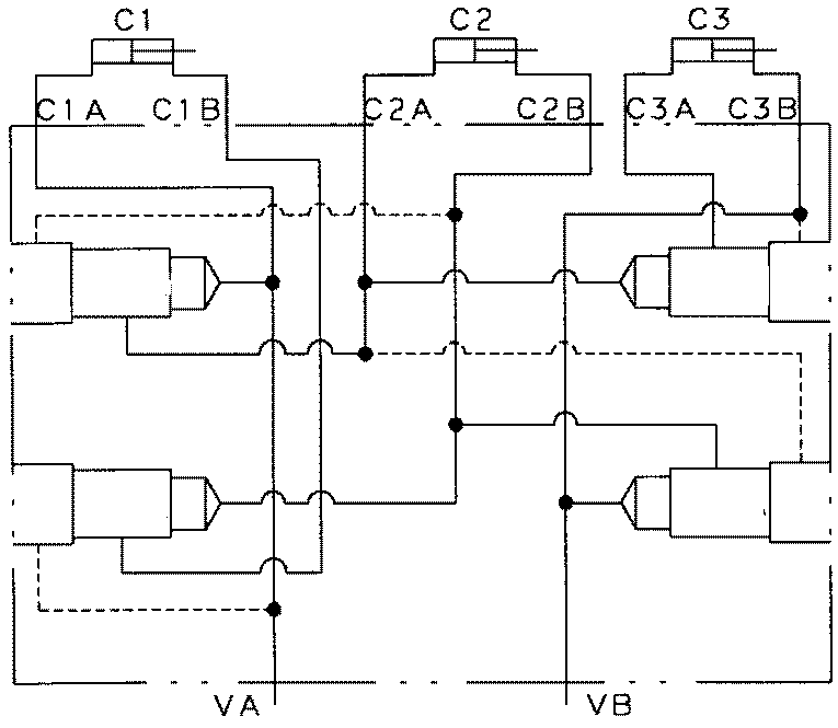
Rörmonterat ventilblock för sekvensventiler. Trippel sekvensventil med backventil för drift av 3 cylindrar.

Rörmonterat ventilblock för sekvensventiler. Dubbel sekvensventil med backventil för drift av 2 cylindrar.

Rörmonterat ventilblock för sekvensventiler. Trippel direktverkande sekvensventil med inbyggd backventil för drift av 3 cylindrar.

Rörmonterat ventilblock för sekvensventiler. Dubbel direktverkande sekvensventil med inbyggd backventil för drift av 2 cylindrar.

Rörmonterat ventilblock för sekvensventiler. 90°-block med testuttag, separat backventil.

Rörmonterat ventilblock för sekvensventiler och sekvensventiler med inbyggd backventil. 3 portar i inline-block.

Rörmonterat ventilblock för sekvensventiler och sekvensventiler med inbyggd backventil. 3 portar i 90°-block med testuttag.

Hydnet
EA Rosengrens gata 29
421 32 Västra Frölunda
031 - 499 490
info@hydnet.se