
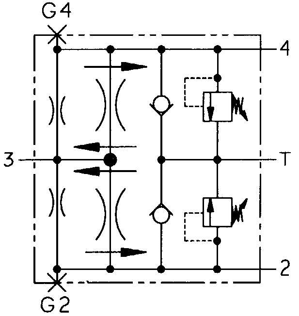
Med chockventil och återfyllnad, separat T-port, rörmonterat.

Flödesdelare används ofta där det finns två eller fler cylindrar för att lyfta, sänka eller skjuta plattformar, flak, ramper, landgångar, gaffelspridare och redskap etc. De används också tillsammans med motorer till hjuldrift på mindre fordon-
Sun Hydraulics har flera modeller av flödesdelare som med olika noggrannhet synkroniserar cylindrarna i ändläget. Använder man flödesdelare med cylindrar passar det i regel med modeller som också samlar och återför returflöde. Flödesdelare som enbart har flöde i en riktning används i regel tillsammans med motorer.
Man kan kombinera fler flödesdelare för att få 1 ingång och flera utgångar. Vi har samlat några av dessa i nedan ventilblock. Vi har också färdiga kombinationer med andra funktioner exempelvis lasthållande och tryckbegränsingsfunktioner.
Finns för flöden från 6 l/min till 270 l/min och upp till 350 bar.
Det finns både rörmonterade och sandwichmonterade. Rörmonterade finns i storlek upp till SAE 1 1/2” fläns och sandwich upp till NG10. Sandwichlösningen hittar du HÄR (sandwich specialventiler)
Samtliga block finns i aluminium (3000 psi/ 210 bar) eller stål (5000 psi/ 350 bar) och kan fås med ytbehandling.

Med chockventil och återfyllnad, separat T-port, rörmonterat.

Med separat strypning för viss hjulslirning, rörmonterat.

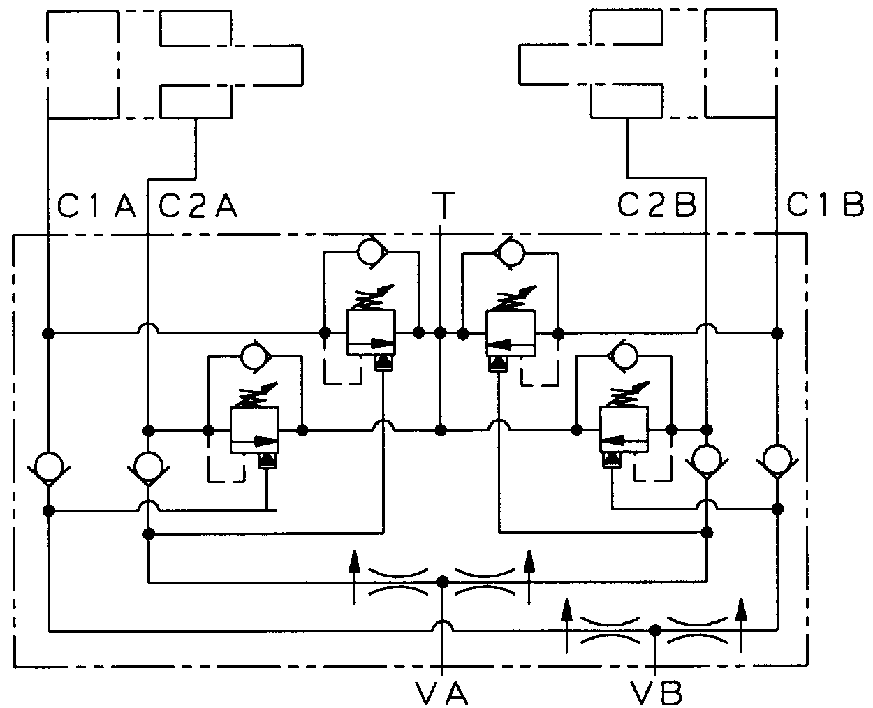
1 port in, 4 portar ut, flödesdelning och flödessamling, rörmonterat.

1 port in, 4 portar ut, flödesdelning och flödessamling med synkronisering, rörmonterat.

Cushion lock, rörmonterat.

1 port in, 4 portar ut, flödesdelning, rörmonterat.

Hydnet
EA Rosengrens gata 29
421 32 Västra Frölunda
031 - 499 490
info@hydnet.se