A och B med 770-magnet.
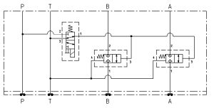
Dessa block är designade för nödstopp. För att cylindern ska kunna röra sig måste båda logikelementen vara öppna. Dom är stängda i opåverkat läge och eftersom dom är balanserade har det aktuella trycket i A och B ingen påverkan på dess läge. Logikelementen lyssnar enbart på pilottrycket från elventilen för att öppnas. Om strömmen bryts eller nödstoppet aktiveras dränerar elventilen pilotflödet till logikelementen, logikelementen stängs och cylindern stannar genast.
Man kan även få logikelement som är övervakade. Med dessa får man återkoppling i form av en elektrisk signal som indikerar om ventilen befinner sig i öppet eller stängt läge. Dessa används ofta när personsäkerhet är viktigt eller det är specificerat i maskin- eller säkerhetsstandarder. Det är vanligt i industrier exempelvis stålverk och pappersbruk där man har arbets- och säkerhetsceller.
Vi kan tillhandahålla MTTFd-värde för beräkning av Performance Level PL enligt EN ISO 13849-1.
Ovan är förslag på kombination av ventil och block, men det passar självklart också med andra ventiler som har rätt kavitet. Schemasymbolen utgår från att man ritar hydraulschemat med montageplatta och förbrukare i botten och riktningsventilen överst i stapeln.
Flera av SUNs hus är vändbara, det vill säga man kan använda ett hus till flera olika funktioner. Man måste se till att man vänder huset rätt.
För att montera staplarna behövs också gängade stänger och mutterstycken, de kan beställas i standardlängd, eller färdigkapade.
Samtliga block finns i aluminium (3000 psi/ 210 bar) eller stål (5000 psi/ 350 bar), i dessa storlekar NG6 (ISO/CETOP 03), NG10 (ISO/CETOP 05), NG 16 (ISO/CETOP 07) och NG25 (ISO/CETOP 08), och kan fås med ytbehandling
A och B med 770-magnet.
A och B med 760-magnet.
A och B med övervakad ventil 770-magnet.

Hydnet
EA Rosengrens gata 29
421 32 Västra Frölunda
031 - 499 490
info@hydnet.se