
6000PSI

En hydraulisk pump drivs av en kraftkälla, till exempel en förbränningsmotor eller en elektrisk motor. Pumpen tar in hydraulolja och pressar den under högt tryck. Trycket genererar kraften som överförs till hydraulmotorn. Vi använder ofta Bosch Rexroth hydrostatpump, A4VG som är en axialkolvpump.
En hydraulmotor tar emot det högtrycksförande hydrauloljan från pumpen och omvandlar den hydrauliska energin till mekanisk kraft och rotation. Hydraulmotorn är kopplad till de drivna hjulen, komponenterna eller rörelsedelen av maskinen eller fordonet. Genom att ändra hastigheten och riktningen på den inkommande hydrauloljan kan hydraulmotorn styras och därigenom ändra maskinens hastighet och riktning. Vi använder ofta Bosch Rexroth hydraulmotor A6VM som är en axialkolvmotor.
Styrsystemet reglerar flödet av hydraulolja mellan pumpen och motorn för att ändra hastigheten och riktningen på maskinen eller fordonet. Det kan bestå av olika komponenter som ventiler, regulatorer och styrsignaler från förarens kontroller eller datoriserade styrsystem.
Fördelarna med hydrostatiska transmissioner inkluderar;
De används i många applikationer som kräver styrning av hastighet och rörelse, inklusive traktorer, grävmaskiner, skogsmaskiner, entreprenadmaskiner och fordon som gräsklippare och snöplogar.
Det är viktigt att notera att en hydrostatisk transmission skiljer sig från en mekanisk transmission där kraften överförs genom mekaniska kopplingar och växlar. I en hydrostatisk transmission överförs kraften genom hydrauliskt tryck och flöde istället för mekaniska komponenter.
Kontakta Hydnet för att hitta den optimala lösningen för din maskin!

6000PSI

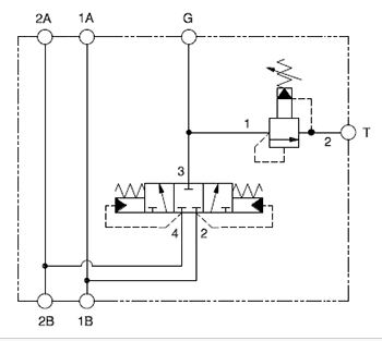
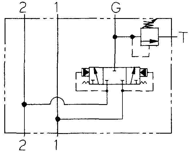
Spolventil med tryckbegränsning, rörmonterat.

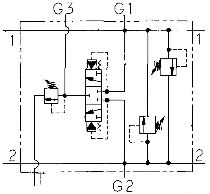
Spolventil med tryckbegränsning och chockventiler, rörmonterat.

Hydnet
EA Rosengrens gata 29
421 32 Västra Frölunda
031 - 499 490
info@hydnet.se