
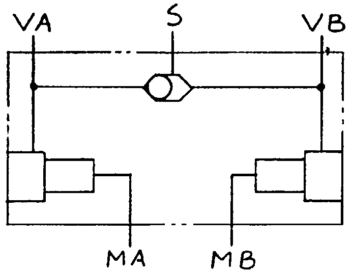
Montageplatta direkt på motor.
När man behöver montera funktioner på en hydraulmotor på ett mycket kompakt och säkert sätt finns det motormonterade block.
Det finns färdiga block med anslutningar till Danfoss, Eaton och Parker.
Motormonterade block finns i standardutförande med fler olika funktioner exempelvis chockfunktion, lasthållningsventiler, cushon lock och styrning av hydraulmotorns broms.
Samtliga block finns i aluminium (3000 psi/ 210 bar) eller stål (5000 psi/ 350 bar) och kan fås med ytbehandling.

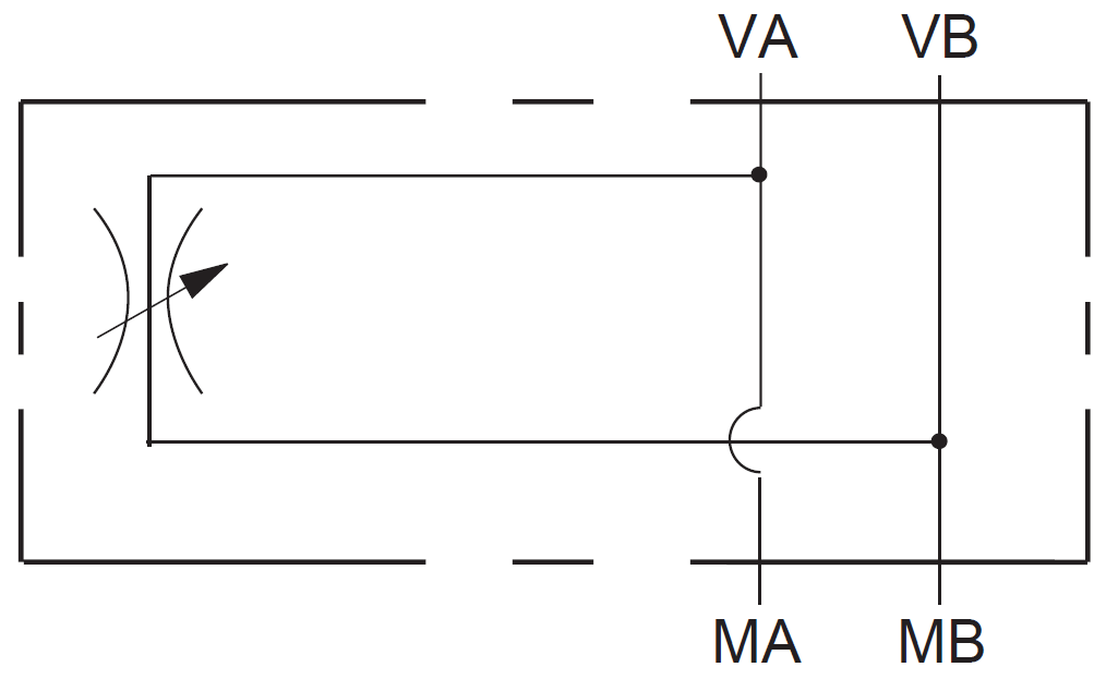
Montageplatta direkt på motor.

Mät- och förhöjningsplatta.

Flödeskontroll, meter-out med skyttel.

Flödeskontroll A till B eller B till A, bleed-off.

Flödeskontroll, meter-out i A och B.

Flödeskontroll, meter-in i A och B.

Flödeskontroll, meter-out i B.

Flödeskontroll, meter-out i A.

Hydnet
EA Rosengrens gata 29
421 32 Västra Frölunda
031 - 499 490
info@hydnet.se