
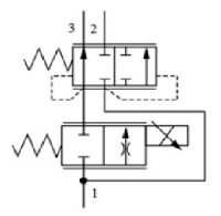
Proportionell prioritetsventil med bypass, 3 portar, direktverkande, proportionellt elstyrd.

Den nya patenterade FREP ventilen kombinerar en el-proportionellt variabel strypning med en kompensator i en och samma ventil och möjliggör ett konstant prioriterat flöde oberoende av variationer i lasttryck.
Den lämpar sig väl i situationer där man önskar att bibehålla en konstant hastighet på en funktion oberoende av variationer i lasttryck.
Ventilen lämpar sig förträffligt som en variabel flödeskontroll i system med en fast pump.
FREP ventilen är direktstyrd, normalt stängd samt tryckkompenserad och kan användas både som en 3-vägs proportionalstyrd prioritetsventil med ”bypass” alternativt som en 2-vägs tryckkompenserad flödeskontroll.
Exempel på applikationer är sopmaskiner, saltspridare, transportband med mera där man önskar reglera hastigheten på exempelvis en hydraulmotor.
FREP ventilen finns i tre flödesområden, 0-30LPM & 0-60LPM, 0-88LPM.
FREP ventilen används med fördel tillsammans med SUNs XMD förstärkare. En mängd standard ventilblock finns tillgängliga bland annat block för direkt montage på hydraulmotorer
Tveka inte att kontakta oss för att få veta mera!

Proportionell prioritetsventil med bypass, 3 portar, direktverkande, proportionellt elstyrd.

Hydnet
EA Rosengrens gata 29
421 32 Västra Frölunda
031 - 499 490
info@hydnet.se