
Specialblock
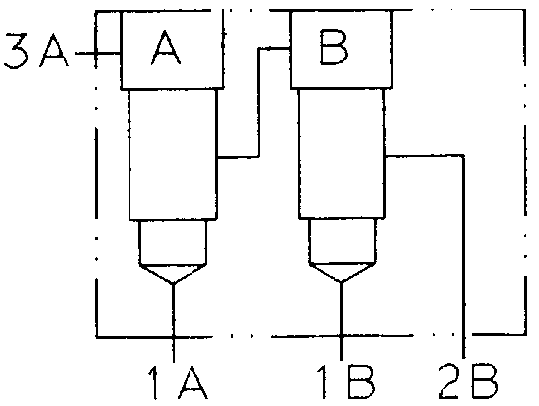
LS-block med 3 LS-ingångar (+2 st CSAB-XXN), rörmonterat.
Model
Anslutning
Nominell kapacitet
XVX
G1/4"
10 lpm (2,5 gpm)
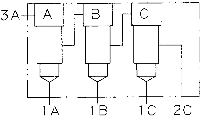
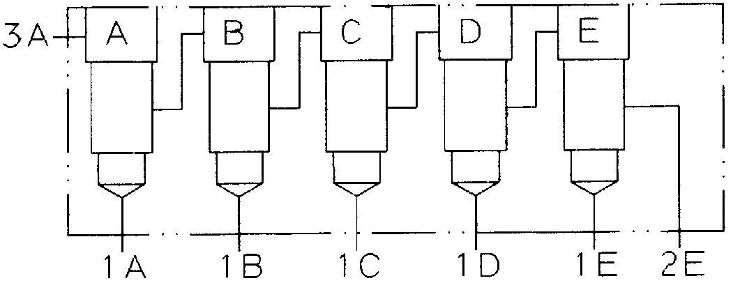
Block för lastkännande LS-system, detta används när man har flera olika funktioner och vill få ut trycket från förbrukaren med högsta trycknivå som LS-signal.
Det finns färdiga block med upp till sju stycken LS-ingångar.
Samtliga block finns i aluminium (3000 psi/ 210 bar) eller stål (5000 psi/ 350 bar) och kan fås med ytbehandling.

LS-block med 3 LS-ingångar (+2 st CSAB-XXN), rörmonterat.

LS-block med 4 LS-ingångar (+3 st CSAB-XXN), rörmonterat.

LS-block med 5 LS-ingångar (+4 st CSAB-XXN), rörmonterat.

LS-block med 6 LS-ingångar (+5 st CSAB-XXN), rörmonterat.

LS-block med 7 LS-ingångar (+6 st CSAB-XXN), rörmonterat.

Hydnet
EA Rosengrens gata 29
421 32 Västra Frölunda
031 - 499 490
info@hydnet.se