
6000PSI

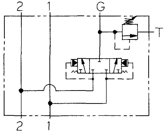
Våra system för transmissionskretsar innehåller en speciell skyttelventil som kan omdirigera oljan från lågtrycksidan till kylning. Matarpumpens uppgift blir då att kompensera för det flödet eller läckage och upprätthålla en konstant oljemängd.
Dessa skyttelventiler i utförande där sidan med lägsta trycket förbinds med utloppet, så kallad ”low side shuttle”.
Dessa finns rörmonterade i storlek upp till SAE 1 ½” fläns.
Samtliga block finns i aluminium (3000 psi/ 210 bar) eller stål (5000 psi/ 350 bar) och kan fås med ytbehandling.
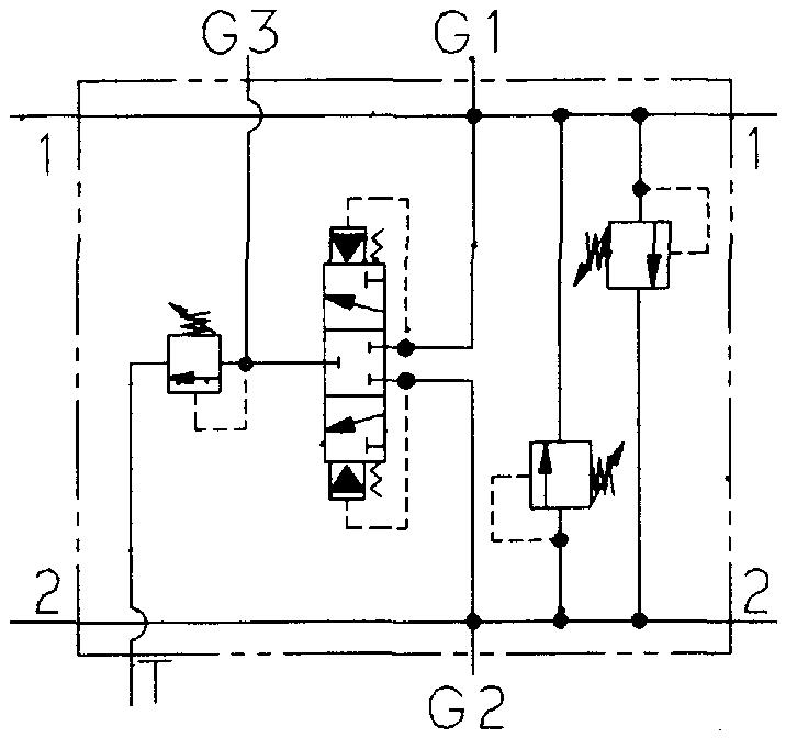
När man vill skydda motorn så kan man få dubbla chockventil integrerat i blocket.
Se nedan för schema av transmissionsblock med dubbla chockventiler.


6000PSI

Spolventil med tryckbegränsning, rörmonterat.

Spolventil med tryckbegränsning och chockventiler, rörmonterat.

Hydnet
EA Rosengrens gata 29
421 32 Västra Frölunda
031 - 499 490
info@hydnet.se