
2 ports, FLeX series, electro-proportional throttle, flow 2-1, pilot operated, normally closed. Coil options low power 3000 psi, high power 5000 psi or explosion proof.
An solenoid flow control valve is used to regulate or limit the flow rate of hydraulic oil using an electrical control signal. The valve does not directly affect system pressure, but instead controls how quickly a hydraulic function is performed—for example, the speed at which a cylinder moves or a hydraulic motor rotates. Flow control valves are used to manage oil flow in one or multiple functions by throttling, distributing, or prioritizing the flow to different parts of the system. They can also be used to maintain a constant flow, even under changing load conditions, ensuring smooth and predictable operation.

2 ports, FLeX series, electro-proportional throttle, flow 2-1, pilot operated, normally closed. Coil options low power 3000 psi, high power 5000 psi or explosion proof.

2 ports, FLeX series, electro-proportional throttle with reverse flow check, flow 2-1, pilot operated, normally closed. Coil options low power 3000 psi, high power 5000 psi or explosion proof.

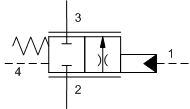
3 way, electro proportional throttle

2 ports, FLeX series, electro-proportional throttle, flow 2-1, pilot operated, normally open. Coil options low power 3000 psi, high power 5000 psi or explosion proof.

2 ports, FLeX series, electro-proportional throttle with reverse flow check, flow 2-1, pilot operated, normally open. Coil options low power 3000 psi, high power 5000 psi or explosion proof.

2 ports, FLeX series, electro-proportional throttle with blocking poppet valve, flow 2-1, direct-acting, normally open. Coil options high power 5000 psi or explosion proof.

3 way, Direct acting, Electro-proportional, Bypass/Restrictive Priority Flow Control Valve

4 ports, normally closed, dual path, proportional throttle

3-way, meter-in, electro-proportional throttle

3-way, meter-in, electro-proportional throttle

4 ports, normally closed, dual path, proportional throttle wth position indicating switch

2 ports, electro proportional throttle NC

3 way, Direct acting, Electro-proportional, Bypass/Restrictive Priority Flow Control Valve

2 ports, electro proportional throttle NC

2 ports, electro proportional throttle NO

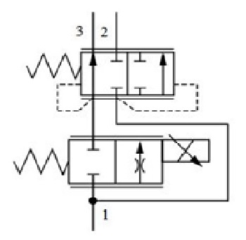
Pilot-operated, normally closed, electro-proportional throttle with reverse flow check – (740 Series).
To enable electric control, the flow control valve is combined with a solenoid coil. Solenoid coils from Sun Hydraulics are available in various models with different connector types and voltage options, providing high flexibility for adaptation to different applications. The solenoids are compatible with both on/off functions and proportional control. For proportional control, the XMD controller is recommended, which can be easily configured via a mobile app or computer software.
Flow control valves are available in two basic types: one-way (unidirectional) and two-way (bidirectional). A one-way flow control valve regulates flow in one direction only, while allowing unrestricted flow in the opposite direction. In contrast, a two-way flow control valve is used when flow needs to be controlled in both directions, making it ideal for applications where movement or pressure must be regulated both ways.
Proportional flow control valves are operated by an electrical signal and allow for precise, stepless regulation of flow, providing a higher degree of control and accuracy. The valve opens only to the extent corresponding to the level of the control signal. On/off flow control valves, on the other hand, are either fully open or fully closed. These are suitable for simpler applications where exact flow regulation is not required.
Flow control valves can also serve as overload protection in a system. If the flow becomes too high, the valve can automatically reduce it to protect other components from damage due to excessive load or pressure. Additionally, these valves can contribute to energy savings by reducing unnecessary flow, thereby lowering the system’s overall energy consumption.



Hydnet
EA Rosengrens gata 29
421 32 Västra Frölunda
+46 31 - 499 490
info@hydnet.se