
Normally closed, direct operated, balanced poppet

A logic element (logic valve) is a type of valve used to control flow or pressure based on certain logical conditions – “if this happens, then do that.” It functions similarly to a logic gate, where a control signal determines how the logic element will respond. Logic elements are often used to build hydraulic control logic without electronics, making the systems robust and reliable, even in demanding environments. These valves can be used in a wide range of hydraulic systems and when combined with other valves, can create functions for directional, flow and pressure control. Balanced logic elements are not affected by pressure variations, unlike the unbalanced version, which is influenced by the load and system pressure.

Normally closed, direct operated, balanced poppet

Normally closed, vent to operate, balanced poppet

Normally closed, vent to operate, with integral pilot control cavity, balanced poppet

Normally closed, pressure adjustable, balanced poppet

Normally open, directly operated, balanced poppet

Normally open, vent to operate, balanced poppet

Normally open, vent to operate, with integral pilot control cavity, balanced poppet

Normally open, pressure adjustable, balanced poppet

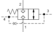
3 ports, normally closed, direct operated, balanced poppet

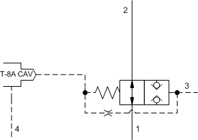
3 ports, normally closed, vent to operate, balanced poppet

3 ports, normally open, direct operated, balanced poppet

3 ports, normally open, vent to operate, balanced poppet
Balanced logic elements are not affected by pressure variations in the system but respond solely to the control signal/control pressure. They are used, for example, when it is necessary to open or close the valve regardless of the load. A balanced logic element is used in applications where stable operation and precise control must be ensured despite changes in system pressure, such as in hydraulic presses and lifting cranes.
Balanced logic elements are frequently used in stationary industrial systems where consistent performance is required, regardless of changes in load. They also offer advantages in systems with multiple simultaneous functions, where pressure variations could otherwise cause unwanted reactions or instability.
Logic elements can be controlled by multiple pressure signals, allowing for the construction of more complex systems based on logical principles, similar to electrical logic gates. Logic elements are used, among other things, to assemble directional valve functions for large flows.
You can always feel confident when choosing Sun Hydraulics cartridge valves. Their products are manufactured to the highest quality standards, and to ensure performance and reliability, each cartridge valve is individually tested before leaving the factory.



Hydnet
EA Rosengrens gata 29
421 32 Västra Frölunda
+46 31 - 499 490
info@hydnet.se