
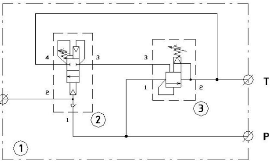
Sandwichmonterat, NG6, toppmontage.

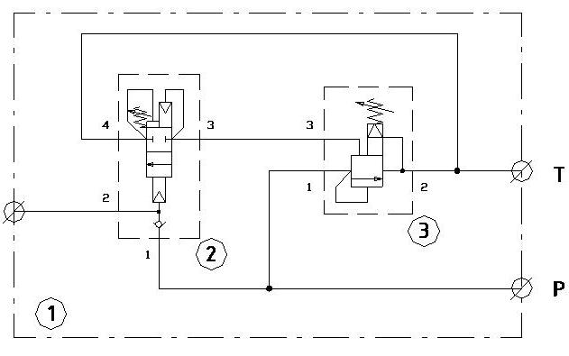
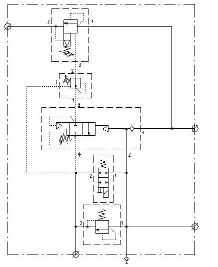
Här används en ackumulatorventil tillsammans med en fjärrstyrd tryckbegränsare för att avlasta pumpen. Ett annat exempel är att kombinera den med en prioritetsventil för att omdirigera flödet till annan funktion.
Denna lösning skapar energisnåla och effektiva system, och de passar exempelvis i batteridrivna hydraulsystem.
Det finns också block med manuell eller elektrisk dränering av ackumulatorn för att inte riskera att man har instängt tryck i systemet efter avstängning.
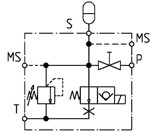
Vid behov finns CE-märkt plomberad tryckbegränsningsventil enligt Arbetsmiljöverkets tryckbärande anordningar AFS 2016:1.
Kontakta oss via info@hydnet.se

Sandwichmonterat, NG6, toppmontage.

Rörmonterat.

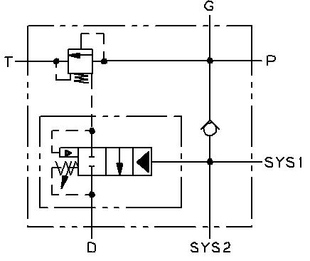
Med säkerhetsventil, rörmonterat.

Rörmonterat.

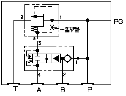
Rörmonterat med CE-ventil och avlastning för ackumulator till tank.

Rörmonterat.
Rörmonterat.

Hydnet
EA Rosengrens gata 29
421 32 Västra Frölunda
031 - 499 490
info@hydnet.se