
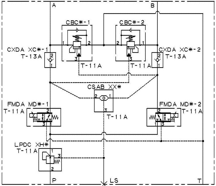
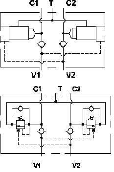
Proportional dubbel motion control i serie 1, rörmonterat. Nominell kapacitet 34 lpm (9 gpm).

Det speciella med denna lösning är att oljan går direkt till tank, och inte igenom riktningsventilen tillbaka från förbrukaren. Man dumpar den varma och eventuellt förorenade oljan till tank för filtrering och kylning.
Det är extra viktigt i system med långa ledningar till förbrukaren.
Det finns färdiga lösningar rörmonterade i storlek upp till G 1 1/4” gänga.
Samtliga block finns i aluminium (3000 psi/ 210 bar) eller stål (5000 psi/ 350 bar) och kan fås med ytbehandling.
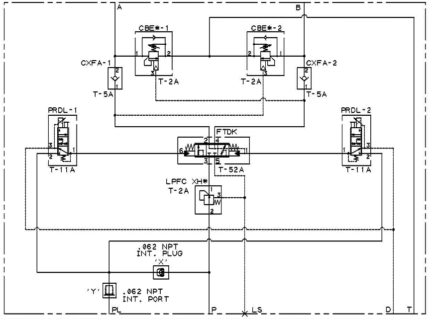
Blocket har två lasthållare på var sida och backventiler för återfyllnad. Det finns även block med integrerade propflödesventiler för kontroll av flödet till motorn samt med en lastkännande kompensatorventil.
Detta ger då varierad hastighet samt mjukare start och stopp

Proportional dubbel motion control i serie 1, rörmonterat. Nominell kapacitet 34 lpm (9 gpm).

Proportional dubbel motion control i serie 2, rörmonterat. Nominell kapacitet 75 lpm (20 gpm).

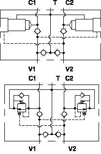
Separat T-port för returoljan, möjlighet att plugga T.

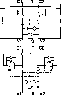
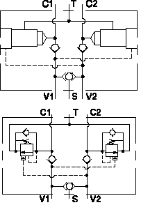
Separat T-port för returoljan, skyttel för bromsuttag, möjlighet att plugga T.

Separat T-port för returoljan.

Separat T-port för returoljan, skyttel för bromsuttag.

Hydnet
EA Rosengrens gata 29
421 32 Västra Frölunda
031 - 499 490
info@hydnet.se