
2-way, poppet style, double seated. Please note, the valve is no longer available. For replacement, please contact one our sales engineers.

A 2-way directional valve, also called a 2/2 valve, has two ports and two positions. It functions as a simple on/off valve that either allows flow or completely stops it. It is used to control the flow of hydraulic oil in a system by either permitting or blocking the flow. The valve can be operated electrically (solenoid), manually, or through pressure changes. A 2-way directional valve is often used to start or stop the flow to a single function or component in the system.

2-way, poppet style, double seated. Please note, the valve is no longer available. For replacement, please contact one our sales engineers.

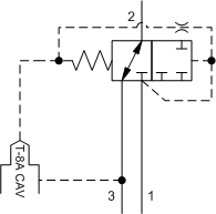
Poppet, control 1 to 2 with integral T-8A pilot control, 2-way

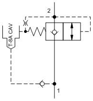
Poppet, control 2 to 1 with integral pilot control cavity, 2-way

2-way, 2-stage, solenoid-operated directional poppet valve – flow 1-2 (740 Series).

2-way, 2-stage, solenoid-operated directional poppet valve – flow 2-1 (740 Series).

2-way, soft shift, solenoid-operated directional spool valve (740 Series).

2-way, direct-acting, solenoid-operated directional blocking poppet valve with overlap (740 Series)
2-way, FLeX series, solenoid-operated directional spool valve, direct-acting. Coil options low power 3000 psi, high power 5000 psi or explosion proof. Please note, DAAF is no longer available. For replacement, please contact one our sales engineers.

2-way, FLeX series, solenoid-operated directional blocking poppet valve, direct-acting. Coil options low power 3000 psi, high power 5000 psi or explosion proof.

2-way, FLeX series, solenoid-operated directional poppet valve with reverse flow check, direct-acting. Coil options low power 3000 psi, high power 5000 psi or explosion proof.

2-way, FLeX series, solenoid-operated directional poppet valve with reverse flow check, flow 2-1, 2 stage. Coil options low power 3000 psi, high power 5000 psi or explosion proof.

2-way, poppet with overlap. Please note, the valve is no longer available. Replacement is DTCF. For more information, please contact one our sales engineers.


2-way, flow 2 to 1, poppet with 2-stage solenoid operated. Please note that the valves are no longer available. DFCB is replaced by DFCJ. DFDB by DFDJ. DFEB by DFEJ. DFFB by DFFJ. Please contact us for more information.






2-way, flow 1 to 2, poppet with 2-stage solenoid operated. Please note that these valves are no longer available. DFCA is replaced by DFCI. DFDA by DFDI. DFEA by DFEI. DFFA by DFFI. For more information, please contact one of our sales engineers.

2 way, Spool. Please note, the valves are no longer available. DAAA and DAAL are replaced by DTAF. DLDA is replaced by DLDF. For more information, please contact one of our sales engineers.

2-way, spool, soft shift. Please note, the valves are no longer available. DAALS is replaced by DLDFS, and DAALS is replaced by DTAFS. For more information, please contact one our sales engineers.

2-way, poppet style, double seated, soft shift. Please note, the valve is no longer available. DTDA-S is replacemed by DTDF-S. For more information, please contact one our sales engineers.




3 ports, pilot operated, normally closed, 2-way


3 ports, integral T-8A control cavity, normally open, 2-way

3 ports, integral T-8A comntrol cavity, normally closed, 2-way

4 ports, pilot operated, normally open, 2-way


3 ports, pilot operated, normally open, 2-way


4 ports, direct acting, sealed pilot, normally closed, 2-way

4 ports, pilot operated, normally closed, 2-way

4 ports, direct acting, sealed pilot, normally open, 2-way


4 ports, integral T-8A control cavity, normally closed, 2-way

4 ports, direct acting, fixed setting, normally closed, 2-way

4 ports, integral T-8A control cavity, normally open, 2-way

4 ports, direct acting, fixed setting, normally open, 2-way



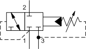
2-way, soft shift, solenoid-operated directional poppet valve – pilot capacity.

2-way, solenoid-operated directional poppet valve – common cavity.
As the name suggests, a 2-way directional valve has two ports and functions as a simple on/off switch for flow in a hydraulic system. It has only two positions: open (flow is allowed) or closed (flow is blocked). This type of valve is used in applications where the flow needs to be either fully started or fully stopped, with no intermediate positions.
2-way directional valves are available in two designs – poppet and spool. A poppet valve is designed to be completely leak-tight in the closed position, making it particularly suitable for load-holding applications where any leakage must be avoided. A spool valve, on the other hand, always has a certain amount of internal leakage due to its design and is commonly used in systems where minor leakage is acceptable or where fast switching is more important than complete sealing.
If there is a need to operate the directional valve manually – for example during maintenance, troubleshooting, or in emergency situations – the valve can be equipped with a manual override. These are available in two versions: with a maintained position, where the valve stays in the manual position until changed again, or with a spring-return position, where the valve automatically returns to its original state once the manual operation is released.
Hydnet holds the largest stock of Sun Hydraulics cartridge valves in Europe, enabling immediate delivery – in urgent cases, we can often deliver the same day. When you choose Sun Hydraulics, you can be completely confident in your decision. Each cartridge valve is manufactured to the highest quality standards and undergoes thorough testing, with every unit tested individually before it leaves the factory. This ensures outstanding performance and maximum operational reliability.



Hydnet
EA Rosengrens gata 29
421 32 Västra Frölunda
+46 31 - 499 490
info@hydnet.se