
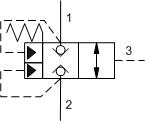
Pilot-to-close, spring biased closed, unbalanced poppet
A logic element (logic valve) is a type of valve used to control flow or pressure based on certain logical conditions – “if this happens, then do that.” It functions similarly to a logic gate, where a control signal determines how the logic element will respond. Logic elements are often used to build hydraulic control logic without electronics, making the systems robust and reliable, even in demanding environments. These valves can be used in a wide range of hydraulic systems and when combined with other valves, can create functions for directional, flow and pressure control. Unbalanced logic elements are affected by the load and system pressure, unlike the balanced version, which is not influenced by pressure variations.

Pilot-to-close, spring biased closed, unbalanced poppet

Pilot-to-close, spring biased closed with metering notches, unbalanced poppet

Vent-to-open, spring biased closed, with pilot source from port 1, unbalanced poppet

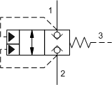
Vent-to-open, spring biased closed, with pilot source from port 2, unbalanced poppet

Vent-to-open, spring biased closed, with pilot source from port 1 or 2, unbalanced poppet

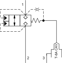
Vent-to-open, spring biased closed, with pilot source from port 1 and integral pilot control cavity, unbalanced poppet

Vent-to-open, spring biased closed, with pilot source from port 2 and integral pilot control cavity, unbalanced poppet

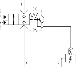
Vent-to-open, spring biased closed, with pilot source from port 1 or 2 and integral pilot control cavity, unbalanced poppet

Pilot-to-close, spring biased open, unbalanced poppet

Pilot-to-open, spring biased closed, unbalanced poppet

Normally open with shuttle, modulating
Unbalanced logic elements are influenced by the load and system pressure, not only by a control signal. The valve opens or closes depending on both the control pressure and the system pressure, which makes it simpler and more cost-effective, but also less precise than a balanced logic element. However, the advantage of an unbalanced logic element is that no external pilot source is needed; the pressure from the load itself can be used to open the valve.
Unbalanced logic elements are often used in load-sensing systems, where it is desirable for the logic element to respond directly to load pressure—for example, to prioritize or control flow based on the demands of the load.
Logic elements can be controlled by multiple pressure signals, allowing for the construction of more complex systems based on logical principles, similar to electrical logic gates. Logic elements are used, among other things, to assemble directional valve functions for large flows.
You can always feel confident when choosing Sun Hydraulics cartridge valves. Their products are manufactured to the highest quality standards, and to ensure performance and reliability, each cartridge valve is individually tested before leaving the factory.



Hydnet
EA Rosengrens gata 29
421 32 Västra Frölunda
+46 31 - 499 490
info@hydnet.se