
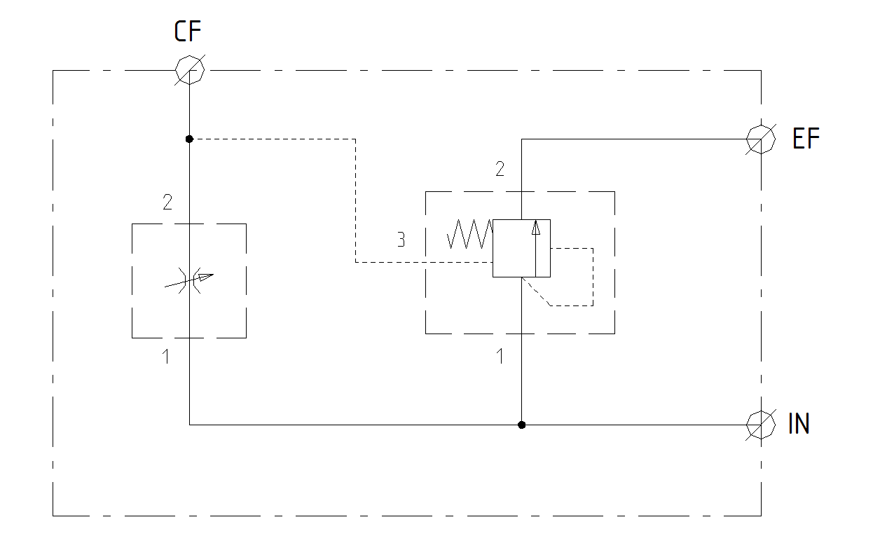
Proportionalstyrd, flödeskontrollventill 2-vägs, med kompensator.
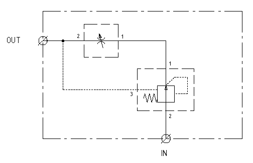
Kretsen fungerar så att ventilen kompenserar för en förändring i lastnivå så att flödet ska kunna regleras utan påverkan av lasten. Man styr flödet med aningen manuell strypventil eller med en elektrisk proportionalventil.
Det finns olika kompensatorventiler till system med fast pump eller med variabel pump. De till en fast pump kan shunta av ett överskottsflöde.
Det finns färdiga lösningar rörmonterade i storlek upp till G 1 1/4” gänga.
I sandwichutförande, så kallad tryckvagga, finns det i storlek upp till NG25 och de hittar du HÄR (länk sandwich specialblock)
Samtliga block finns i aluminium (3000 psi/ 210 bar) eller stål (5000 psi/ 350 bar) och kan fås med ytbehandling.

Proportionalstyrd, flödeskontrollventill 2-vägs, med kompensator.

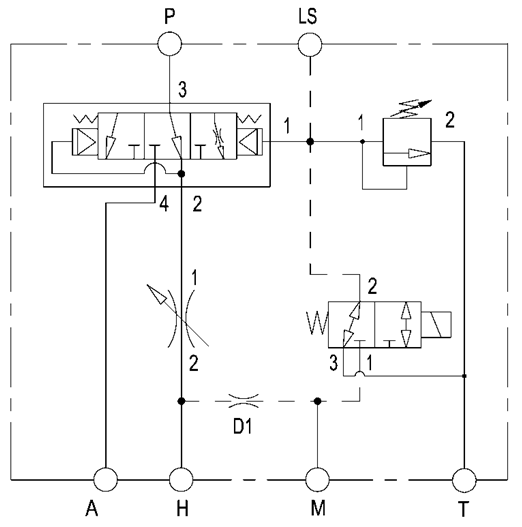
Proportionalstyrd, flödeskontrollventill 3-vägs, med kompensator.

Proportionalflödeskontroll, 3-vägskompensator, riktningsventil, rörmonterad. Nominell kapacitet 40 lpm (10 gpm).

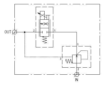
Prioritetsventil, 3-vägs, elstyrd, rörmonterad.

Prioritetsventil, 3-vägs, elstyrd, rörmonterad.

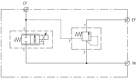
Prioritetsventil, 3-vägs, fullt justerbar.

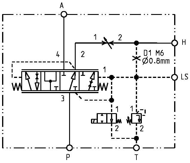
Flödeskontrollventill, 2-vägs, fullt justerbar med kompensator.

Hydnet
EA Rosengrens gata 29
421 32 Västra Frölunda
031 - 499 490
info@hydnet.se